A kombi falrendszer a kombináció általacéllemez cölöpökés H cölöpök vagy cső alakú cölöpök, amelyek magas profil teljesítményt nyújthatnak - nagyobb keresztmetszeti modulus a projektekben. A kombi falrendszereket gyakran használják kikötői, kikötői, hajógyár és dokk építési projektekben, ahol hosszú oszlopos termékekre van szükség.
A kompozit lapos halom a következő kategóriákba sorolható:
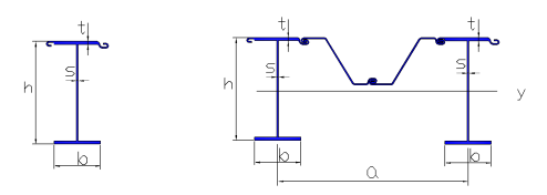
1. HZ kombi fal: Ez H oszlopok (SLHZ880MA, SLHZ880MB, SLHZ880MC, SLHZ1080MA, SLHZ1080MB, SLHZ1080MC, SLHZ1080MD, SLHZ1180MB, SLHZ1180MC, SLHZ1180MD) kombinációját jelenti. A Z-cölöpöket helyettesíthetjük U típusú lemez cölöpökkel és omega-típusokkal islemez cölöpök.
T A H cölöpöknek reteszelő rendszere lesz a lap cölöpök csatlakoztatására.

2. OZ kombi fal: Ez a cső alakú csövek (SSAW / SAWH csövek) és a Z lap cölöpök kombinációját jelenti. A Z-cölöpöket helyettesíthetjük U típusú és cukorrétegekkel.
I A nterlocokat hegeszteni kell a cső alakú cölöpökre, hogy a csöves cölöpök csatlakozhassanak a Z-hezlemez cölöpök.

A Shunli Steel Group, mint a legnagyobb és vezető gyártó nak,-nekacéllemez cölöpökA combi falak kínai kínálatában különféle kombi fal megoldásokat kínál ügyfelei számára:
a. HZ Combi fal
A Shunli nemcsak a Z-cölöpöket tudta kínálni, hanem egymással reteszelt H-cölöpöket is gyárthat. Mind hidegen hengerelt reteszek, mind melegen hengerelt C9 csatlakozók kérésre kaphatók.
b. OZ Combi fal
Három SSAW / SAWH csőcső cölöpével felszerelve a Shunli hideghengerelt tengelykapcsolóval és melegen hengerelt C9 csatlakozókkal is elláthat csőcsöveket.
Ha további információt szeretne a lapos cölöpökről, csőcsövekről, csatlakozókról és kombi falakról, ne habozzon kapcsolatba lépni a Shunli Steel Group céggel.